| 安正公司為配合提昇化工業、食品、製藥等業界所使用之遠心分離裝置效能及品質,與日本MATSUMOTO (松本) 合作改良生產全自動上部傳動型遠心分離機MARK III,其可分為油壓驅動式及變頻電動馬達驅動型,提供你最完善的遠心分離裝置可提高分離裝置的效益.. |
| |
|
|
 |
 |
 |
|
 |
 |
| |
型式
機號 |
迴轉籠
尺寸 |
容量 (l)
最大
處理量(kg) |
電動機
(kW) |
每分鐘
回轉速
(R.P.M) |
遠心
效果
(G) |
分離機
重量
(kg) |
主要部尺寸 |
直徑 (mm) |
高度 (mm) |
有孔型 |
無孔型 |
有孔型 |
無孔型 |
有孔型 |
無孔型 |
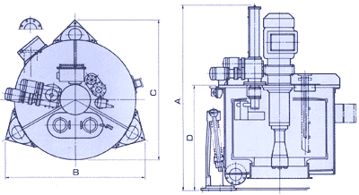
A |
B |
C |
D |
48×800 |
1220 |
800 |
458 |
22 |
45 |
1080 |
1380 |
800 |
1300 |
3600 |
2445 |
1845 |
1865 |
1395 |
48×1000 |
1220 |
1000 |
613 |
30 |
55 |
1080 |
1380 |
800 |
1300 |
4400 |
2925 |
1845 |
1865 |
1685 |
|
|
| |
|
 |
 |
| |
型式
機號 |
迴轉籠
尺寸 |
容量 (l)
最大
處理量(kg) |
電動機
(kW) |
每分鐘
回轉速
(R.P.M) |
遠心
效果
(G) |
分離機
重量
(kg) |
主要部尺寸 |
直徑 (mm) |
高度 (mm) |
有孔型 |
無孔型 |
有孔型 |
無孔型 |
有孔型 |
無孔型 |
A |
B |
C |
D |
48×800 |
1220 |
800 |
458 |
30 |
45 |
1080 |
1380 |
800 |
1300 |
2800 |
2445 |
1845 |
1865 |
1395 |
48×1000 |
1220 |
1000 |
613 |
37 |
55 |
1080 |
1380 |
800 |
1300 |
3500 |
2925 |
1845 |
1865 |
1685 |
|
|
| |
|
 |
| |
 |
| |