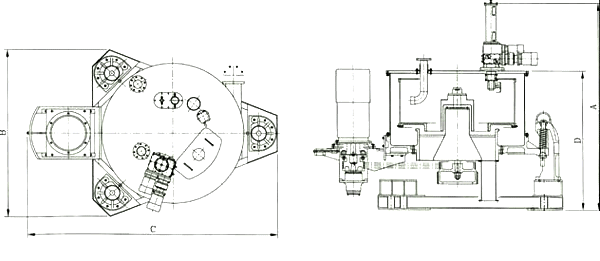
| 全自動底部傳動型遠心分離機為安正公司秉持多年製造遠心分離機之經驗,加上電機控制系統之發展而開發出PLC及MCC 控制系統的油壓驅動型及變頻電動馬達驅動型以利多種業界操作上之需求。 |
| |
|
|
 |
 |
|
| |
|
|
 |
 |
|
|
 |
 |
| |
型式
機號 |
迴轉籠
尺寸 |
容量 (l)
最大
處理量(kg) |
電動機
(kW) |
每分鐘
回轉速
(R.P.M) |
遠心
效果
(G) |
分離機
重量
(kg) |
主要部尺寸 |
直徑 (mm) |
高度 (mm) |
有孔型 |
無孔型 |
有孔型 |
無孔型 |
有孔型 |
無孔型 |
A |
B |
C |
D |
48x500 |
1220 |
500 |
230 |
18 |
22 |
1080 |
1380 |
500 |
500 |
3000 |
2160 |
1730 |
2560 |
1350 |
55x550 |
1400 |
550 |
400 |
30 |
37 |
900 |
1100 |
550 |
550 |
5000 |
2700 |
2100 |
3100 |
1740 |
67x900 |
1700 |
900 |
1000 |
45 |
55 |
520 |
630 |
900 |
900 |
7000 |
3420 |
2460 |
3600 |
2460 |
|
|
| |
|
| |
 |
 |
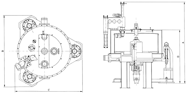
型式
機號 |
迴轉籠
尺寸 |
容量 (l)
最大
處理量(kg) |
電動機
(kW) |
每分鐘
回轉速
(R.P.M) |
遠心
效果
(G) |
分離機
重量
(kg) |
主要部尺寸 |
直徑 (mm) |
高度 (mm) |
有孔型 |
無孔型 |
有孔型 |
無孔型 |
有孔型 |
無孔型 |
A |
B |
C |
D |
48x500 |
1220 |
500 |
230 |
18 |
22 |
1080 |
1380 |
500 |
500 |
3000 |
2160 |
1730 |
2560 |
1350 |
55x550 |
1400 |
550 |
400 |
30 |
37 |
900 |
1100 |
550 |
550 |
5000 |
2700 |
2100 |
3100 |
1740 |
67x900 |
1700 |
900 |
1000 |
45 |
55 |
520 |
630 |
900 |
900 |
7000 |
3420 |
2460 |
3600 |
2460 |
|
|
| |
|
| |
 |
 |
型式
機號 |
迴轉籠
尺寸 |
容量 (l)
最大
處理量(kg) |
電動機
(kW) |
每分鐘
回轉速
(R.P.M) |
遠心
效果
(G) |
分離機
重量
(kg) |
主要部尺寸 |
直徑 (mm) |
高度 (mm) |
有孔型 |
無孔型 |
有孔型 |
無孔型 |
有孔型 |
無孔型 |
A |
B |
C |
D |
48x500 |
1220 |
500 |
230 |
18 |
22 |
1080 |
1380 |
500 |
500 |
3000 |
2310 |
2560 |
2560 |
1550 |
55x550 |
1400 |
550 |
400 |
30 |
37 |
900 |
1100 |
550 |
550 |
5000 |
2700 |
2100 |
2300 |
1740 |
67x900 |
1700 |
900 |
1000 |
45 |
55 |
520 |
630 |
900 |
900 |
7000 |
3420 |
2500 |
2600 |
2460 |
|
|
| |
|
 |
| |
 |
| |